巨微總代理MG123 nordic藍牙芯片
2020-05-08 09:52:02
上海巨微是一家國內專注于芯片和與之相關的系統設計,提供最高性價比的通用無線芯片和無線傳感器芯片和方案,并成為無線傳感節點的主要供貨商。其核心技術能力覆蓋射頻,模擬,SOC和系統軟件的設計。
上海巨微生產的型號為MG123是低功耗、低成本的BLE 收發器,內部集成了發射機、接收機、GFSK 調制解調器和BLE基帶處理。該系列產品采用MSOP10 封裝,只需搭配低成本MCU 和少數外圍被動器件,即可實現BLE 遙控、藍牙電子秤等應用。可替換
nordic藍牙芯片。
• 電源電壓1.9~3.6,可以采用一個紐扣電池(3.0v)供電
• 3uA 待機電流
• 20mA@0dBm 持續發射
• MSOP10 封裝,外圍BOM 很少
• 只需低成本MCU 配合
數據和控制接口
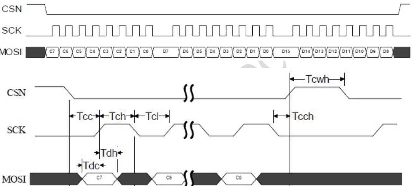
MG123 通過3 線SPI 接口和IRQ 信號與MCU 進行通信,接口包括以下信號:
• IRQ (this signal is active low and is controlled by maskable interrupt sources)
• CSN (SPI signal)
• SCK (SPI signal)
• MOSI (SPI signal)
其中MOSI 信號用于輸入和輸出。MCU 可以用3 個GPIO 模擬SPI,我們提供3 線SPI 的參考C 源碼。
圖1 SPI時序圖
應用電路原理圖
下圖是MG123 的典型應用電路原理圖。
圖2示例應用示意圖
PCB 布線注意事項
• 電源
電源線、地線的布線直接關系到產品的性能,把噪聲干擾降到最低。布線時要盡量加寬地線、電源線寬度,地線〉電源線〉信號線,通常信號線寬0.2~0.3mm,電源線寬1.2~2.5mm,用大面積銅層做地線用,在PCB 上把沒有用的空間都鋪成地。
電源加兩個電容,如果用LDO 供電,分別取值1uF 和0.1uF 用以濾波;如果用紐扣電池供電,電容分別取值10uF和10uF 用以穩壓。
• 晶振
晶振電路要盡量短和對稱,靠近芯片,以減少噪聲干擾以及分布電容的影響。晶振外殼要良好接地。
• 天線
天線對通信影響很大,請使用成熟的2.4GHz 天線結構,或者嚴格按照天線要求制板。一般PCB 天線需要凈空,天線與地(鋪銅)之間距離應大于0.5mm。天線周圍不要有元器件或金屬結構。
芯片ANT 到天線之間的走線不能太長,線寬要考慮阻抗匹配要求。
上海巨微藍牙SOC芯片其他封裝選型表:
| Part Number |
VDD(v) |
MCU Core |
ROM |
RAM |
IO |
ADC |
Package |
| MG123 |
1.9 ~ 3.6 |
ASIC |
- |
- |
- |
- |
MSOP10 |
| MG127 |
1.9 ~ 3.6 |
ASIC |
- |
- |
- |
- |
DFN10 |
| MG126 |
1.9 ~ 3.6 |
ASIC |
- |
- |
- |
- |
QFN16 |
| MS1581 |
1.9 ~ 3.6 |
8bit |
OTP 2KW |
128B |
9 |
- |
SOP16 |
| MS1797 |
2.0 ~ 3.6 |
32bit |
Flash 128KB |
8KB |
21 |
7x12bit |
QFN32 |
| MS1586 |
1.9 ~ 3.6 |
8bit |
OTP 4KW |
256B |
9 |
7X12bit |
SOP16 |
| MS1656 |
2.4 ~ 3.6 |
CM0+ |
Flash 64KB |
4B |
11 |
4chX12bit |
QFN20 |
| MS1793S |
2.0 ~ 3.6 |
32bit |
Flash 32KB |
4KB |
11 |
9x12bit |
TSSOP24 |
| MS1793 |
2.0 ~ 3.6 |
32bit |
Flash 128KB |
8KB |
12 |
6x12bit |
QFN32 |
| MS1791 |
2.0 ~ 3.6 |
CM0 |
Flash 128KB |
8B |
21 |
9chx12bit |
QFN32 |
| MS1892 |
2.0 ~ 3.6 |
CM3 |
Flash 512KB |
128B |
29 |
9chx12bit |
QFN40 |
更多詳情點擊該鏈接:http://www.sxvd.cn/list-451-1.html
本文關鍵詞:nordic藍牙芯片 上海巨微
相關文章: 國產低成本低功耗藍牙SoC芯片MS1793S
深圳市英尚微電子有限公司是一家專業的靜態隨機記憶體產品及方案提供商,十年來專業致力代理分銷存儲芯片IC, SRAM、MRAM、pSRAM、 FLASH芯片、SDRAM(DDR1/DDR2/DDR3)等,為客人提供性價比更高的產品及方案。
英尚微電子中國區指定的授權代理:VTI、NETSOL、JSC濟州半導體(EMLSI)、Everspin 、IPSILOG、LYONTEK、ISSI、CYPRESS、ISOCOME、PARAGON、SINOCHIP、UNIIC; 著名半導體品牌的專業分銷商 如:RAMTROM、ETRON、FUJITSU、LYONTEK、WILLSEMI。
?更多資訊關注SRAMSUN. www.sxvd.cn 0755-66658299